| 颜色分类 | HY01-18*25 |
|---|---|
| 材质 | 铸铁 |
| 驱动方式 | 电动 |
![]() | 多买多优惠 | |||
|
| 掌柜推荐热卖宝贝 | ||||||||||||||||||||||||||||||||||||||||||
|
CBJ(HY01)系列齿轮油泵是CB-B齿轮油泵**代产品,其特点具有稳定的流量,足够的压力,同心度好,在轻微的污油中工作不影响质量,长期以来被广泛用于机械液压系统。
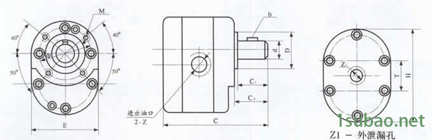
CBJ(HY01)系列齿轮油泵外形图:
| 型号 | 额定流量 L/min | 额定压力 MPa | 额定转速 r/min | 容积效率 ηv% | 总效率 ηt% | 压力脉动 MPa | 驱动功率 kw |
| HY01-3×5 | 3 | 0.5 | 1450 | ≥70 | ≥63 | ±0.15 | 0.21 |
| HY01-5×10 | 5 | 1 | 0.31 | ||||
| HY01-8×15 | 8 | 1.5 | ≥80 | ≥72 | 0.51 | ||
| HY01-12×20 | 12 | 2 | 0.82 | ||||
| HY01-18×25 | 18 | 2.5 | ≥90 | ≥81 | 1.02 | ||
| HY01-25×25 | 25 | 1.30 | |||||
| HY01-35×25 | 35 | 1.65 | |||||
| HY01-50×25 | 50 | ≥94 | ≥85 | 2.6 | |||
| HY01-70×25 | 70 | 4.1 | |||||
| HY01-100×25 | 100 | ≥95 | ≥86 | 5.1 |
CBJ(HY01)系列齿轮油泵技术规格:
| 型号 | C1 | C1 | C3 | E | H | D(f8) | Φ | d(h7) | T | b | M | 2-Z(进出油口) | Z1/8" |
| HY01-3×5 | 87 | 25 | 28 | 56 | 80 | Φ30 | Φ40 | Φ12 | 25 | 4 | M8 | Z1/4" | |
| HY01-5×10 | 93 | Z3/8" | |||||||||||
| HY01-8×15 | 101 | 25 | 28 | 65 | 95 | Φ35 | Φ50 | Φ14 | 30 | 4 | Z1/2" | ||
| HY01-12×20 | 109 | ||||||||||||
| HY01-18×25 | 117 | 30 | 34 | 80 | 122 | Φ50 | Φ65 | Φ16 | 42 | 5 | Z3/4" | ||
| HY01-25×25 | 124 | ||||||||||||
| HY01-35×25 | 140 | 35 | 39 | 108 | 160 | Φ55 | Φ80 | Φ22 | 52 | 6 | M10 | Z1" | |
| HY01-50×25 | 148 | ||||||||||||
| HY01-70×25 | 166 | 40 | 48 | 120 | 185 | Φ70 | Φ95 | Φ30 | 65 | 8 | Z1/4" | Z1/4" | |
| HY01-100×25 | 176 |
运费说明:具体运费,根据宝贝重量,运输目的地,运输方式再定。可以选择运费到付!







¥3.00


