| 品牌: | 普量电子 | 用途: | 其它 |
| 材料: | 金属 | 类型: | 隔膜式压力变送器,应变式压力变送器,智能压力变送器 |
| 型号: | PT131 | 测量范围: | 一般压力变送器 |
| 接口尺寸: | 20*1.5mm | 材料晶体结构: | 非晶 |
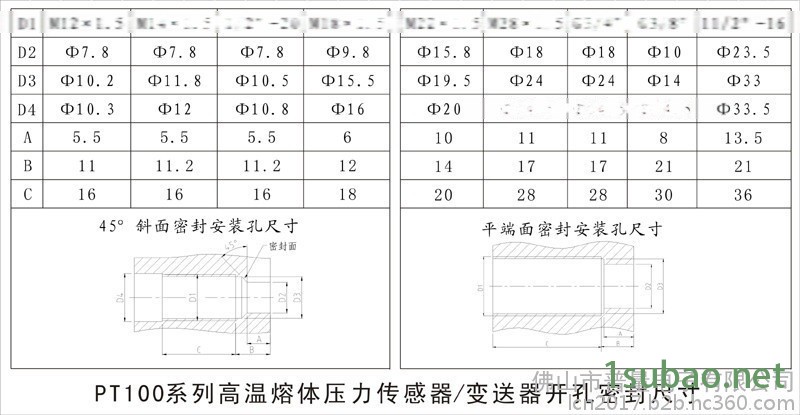
| 压力接口: | M20X1.5 M14X1.5 1/2-20UNFHP | 制作工艺: | 隔膜 |
| 测量介质: | 流体 液体 气体 | 迟滞: | 0.1%F.S. |
| 重复性: | 0.1%F.S. | 防爆等级: | 三级 |
| 种类: | 压力 | 防护等级: | IP65 |
| 加工定制: | 是 | 精度等级: | 0.5级 |
| 电源电压: | 10-24VDCm3砼/h | 材料物理性质: | 半导体 |
| 输出信号: | 2.0mV 4-20mA 0-10VDCdpl | 指示表头: | LCD |
| 线性度: | 0.5%F.S. |
流延膜机压力变送器 挤出机械压力传感器 PVC PE PPR管材设备高温压力测量 PT131
双螺杆挤出机 流延膜机 PE PPR PVC管材机械高温熔体压力变送器
注射成型是塑料制品的主要加工方法,在工业中已经得到了广泛的应用。决定制品质量的关键因素在于对注射过程中一些关键变量进行有效的检测与控制,以及在此基础上对工艺参数的优化。充模过程中模腔内熔体的前端流动速度与保压过程中模腔压力是与制品质量相关的两项重要过程变量熔体压力是保证塑料异型材挤出质量的一个十分重要的控制指标,物 料在双螺杆挤出机内,尤其是在锥形双螺杆挤出机内的熔体压力并不是一个单一数值,而是由各个功能段不同数值组成的值域.通过物料在锥形双螺杆挤出机内受压 分析
挤出机是轮胎生产线的关键设备之一,在众多工艺影响因素中,熔体温度和熔体压力这两个因素 重要,其控制效果直接影响着橡胶制品的质量好坏。因此,为了提高轮胎质量,提高生产效率,对于挤出温度和压力控制进行理论分析和研究应用具有重要的现实意义
高温熔体压力变送器PT131/PT133齐平膜平设计,可同时测量温度达450度的高温熔体、流体压力和温度,压力输出模拟量2.0/3.3mV/V或4-20mA/0-10V,温度输出J、K、E热电偶,可配套普量电子公司的PY500/PY900仪表进行对挤出机、注塑机等的压力/温度控制,达到设备安全、产品质量保证的重要工具。
主要技术参数:
被测介质:高温熔体、流体
压力类型: 表压
量 程: 5MPa;10MPa;15MPa;20MPa;35MPa;50MPa;70MPa
压力输出: 2.0,3.3mV/V(六线制,桥路输出4线,另二根为80%校准)4-20mA、0-10VDC
温度输出:J、K、E 热电偶
综合精度: ±0.25%FS、±0.5%FS、±1%FS
供 电: 10V Dc(5~12VDC)、24VDC
绝缘电阻: ≥1000 MΩ/100VDC
介质温度: -20~450℃ 环境温度:-20~85℃ 储存温度:-40~90℃
相对湿度: 0~95% RH
密封等级:IP65
过载能力: 150%FS
响应时间:≤10mS
稳 定 性:≤±0.15%FS/年
振动影响:≤±0.15%FS/年(机械振动频率20Hz~1000Hz)
电气连接:五芯标准航空接插件;标准配线5米
压力连接:M14X1.5/M20X1.5/M22X1.5/1/2-20UNF
连接螺纹材料:304/316L不锈钢
4、选型说明:
PT131-35M-mV-0.5-M14-5m-K
量程:0~35MPa;输出:2.0mV/V;精度:0.5%FS;安装螺纹:M14X1.5;配线长度:5米;温度输出:K型号,结构型号:PT131型




